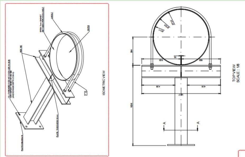
Bối cảnh dự án: Chế tạo sẵn các giá đỡ-chịu tải cho đường ống cấp nước chính của Cục Cấp nước. Các giá đỡ được làm bằng thép dầm 160×160 mm H{4}}, được thiết kế để đáp ứng cả yêu cầu về mặt thẩm mỹ và chức năng.
Giải pháp cốt lõi: Vật liệu chính được chế tạo bằng các tấm thép không gỉ thông qua phương pháp hàn không{0}}theo tiêu chuẩn, đòi hỏi khối lượng công việc hàn đáng kể. Cần phải xem xét việc kiểm soát biến dạng hàn và hiệu chỉnh sau đó.

Kết quả và Ý nghĩa: Lần giao hàng cuối cùng thành công với khả năng kiểm soát biến dạng trong phạm vi 2 mm, lắp đặt hoàn hảo và đảm bảo tỷ lệ vượt qua kiểm tra RT 100% cho các mối hàn



